• 新品

長角パイプ二方 継手(短手) TO-382NE TA4861

商品管理番号 sgc1-to-382ne
内訳
販売価格
(単価 × 入数)
注文数
小物送料

長角パイプ二方 継手(短手) TO-382NE TA4861

品番
sgc1-to-382ne-1
販売価格
(単価 × 入数)
注文数
ご注文には
ログインしてください
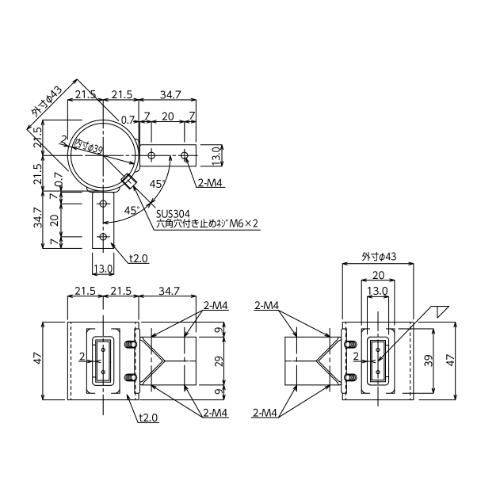
■商品説明■
●丸パイプ脚Φ38mmに角パイプ32×16mmを接続できます。
●継手部が短い仕様です。
●耐久性と耐食性に優れたステンレス製です。

商品名:長角パイプ二方 継手(短手) TO-382NE TA4861
メーカー:SUGICO(スギコ)
メーカー品番:TO-382NE TA4861
お届け数:1
材質:SUS304
適用パイプ:φ38&長角32×16mm
付属品:M6ビス×2,M4ビス・スプリングワッシャー各4

【ご注意】
画面上の色はブラウザやご使用のパソコンの設定により実物と異なる場合があります。

おすすめ商品