- 新品
小判型オーバーフロー ネジタイプ TO-232NP(S)
| 商品管理番号 | sgc1-to-232np |
|---|

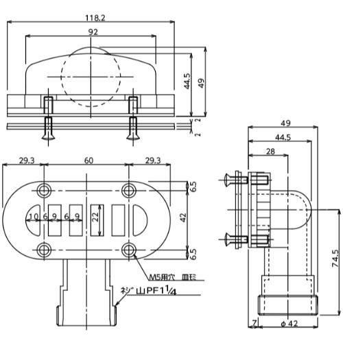
シンク用の小判型オーバーフローです。目皿は耐食性に優れたステンレス(SUS304)製です。別売のユニオンナット(TO-603-5)と三角パッキン(TO-595-2)を使用しパイプと接続します。
商品名:小判型オーバーフロー ネジタイプ TO-232NP(S)
メーカー:SUGICO(スギコ)
型式:TO-232NP(S)[ナットパッキン無] TA7032
お届け数:1
仕様1:材質:ポリプロピレン/ステンレス(SUS304)/ニトリルゴム
仕様2:適合パイプ外径:Φ32mm
仕様3:目皿外径:118.6×55mm
仕様4:目皿仕様:小判型
仕様5:ネジの呼び径:G1-1/4
【ご注意】
画面上の色はブラウザやご使用のパソコンの設定により実物と異なる場合があります。