- 新品
小型排水トラップ G2ネジ オーバーフロー付 A蓋樹脂カゴ仕様 TO-198NLAP
| 商品管理番号 | sgc1-to-198nlap |
|---|

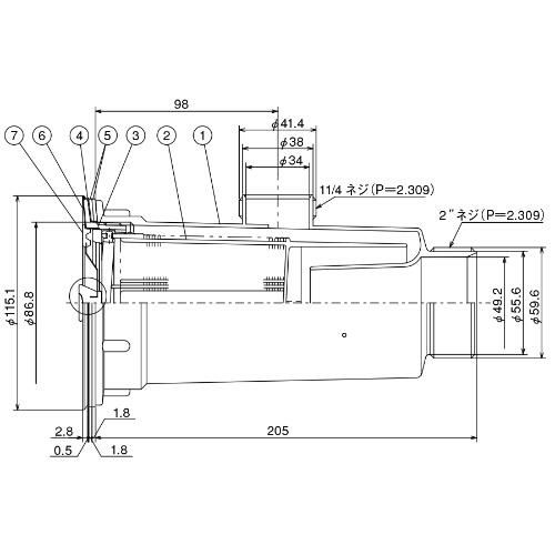
シンク用の小型排水トラップです。省スペースを生かす、コンパクト設計のキッチントラップです。
商品名:小型排水トラップ G2ネジ オーバーフロー付 A蓋樹脂カゴ仕様 TO-198NLAP
メーカー:SUGICO(スギコ)
型式:TO-198NLAP(エースMヨコ2吋) TA1846
お届け数:1
仕様1:サイズ:Φ115×H225mm
仕様2:材質:ポリプロピレン/ステンレス(SUS304)
仕様3:封水深50mm以上
仕様4:適合排水口外径:Φ115mm
仕様5:接続部:G2
仕様6:オーバーフロー:G1-1/4
仕様7:蓋仕様:A蓋
仕様8:ゴミカゴ仕様:ポリプロピレン
【ご注意】
画面上の色はブラウザやご使用のパソコンの設定により実物と異なる場合があります。