• 新品

18-8パイプソケット(ロストワックス製) TO-164RS YZ0134

商品管理番号 sgc1-to-164rs
内訳
販売価格
(単価 × 入数)
注文数
小物送料

18-8パイプソケット(ロストワックス製) TO-164RS YZ0134

品番
sgc1-to-164rs-1
販売価格
(単価 × 入数)
注文数
ご注文には
ログインしてください
■商品説明■
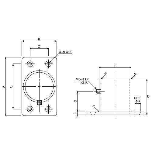
●ステンレス鋳物(ロストワックス製)で一体成形なので強度も万全です。
●ベースとパイプのコーナーやパイプの差込口など各部は清掃がしやすいR構造です。
●さびにくいSUS304ステンレスです。
●※ステンレス鋳物(ロストワックス製)は多少磁気が発生します。

商品名:18-8パイプソケット(ロストワックス製) TO-164RS YZ0134
メーカー:SUGICO(スギコ)
メーカー品番:TO-164RS YZ0134
お届け数:1
材質:SUS304
適用パイプ:φ25mm
サイズ(mm):A/61,B/35,C/45,D/20,E/44,F/φ30,G/27
重量(g):115

【ご注意】
画面上の色はブラウザやご使用のパソコンの設定により実物と異なる場合があります。

おすすめ商品