• 新品

パイプソケット SUS304 ヘアーライン TO-145LL TA0483

商品管理番号 sgc1-to-145ll
内訳
販売価格
(単価 × 入数)
注文数
小物送料

パイプソケット SUS304 ヘアーライン TO-145LL TA0483

品番
sgc1-to-145ll-1
販売価格
(単価 × 入数)
注文数
ご注文には
ログインしてください
■商品説明■
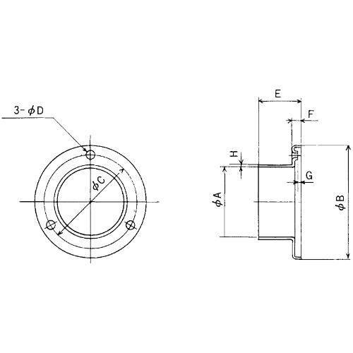
●ハンガーパイプなどを固定するための金具です。
●耐久性と耐食性に優れたステンレス製です。
●4個穴になります。
●木ネジ付きです。

商品名:パイプソケット SUS304 ヘアーライン TO-145LL TA0483
メーカー:SUGICO(スギコ)
メーカー品番:TO-145LL TA0483
お届け数:1
材質:18-8ステンレス(SUS30(4) ヘアライン仕上
適用パイプ:φ38mm
サイズ(mm):A/38.5,B/64,C/50.5,D/4.5,E/21,F/4.5,G/2,H/1
付属品:木ネジ

【ご注意】
画面上の色はブラウザやご使用のパソコンの設定により実物と異なる場合があります。

おすすめ商品