• 新品

丸パイプ用三方継手 TO-127S TA5007

商品管理番号 sgc1-to-127s
内訳
販売価格
(単価 × 入数)
注文数
小物送料

丸パイプ用三方継手 TO-127S TA5007

品番
sgc1-to-127s-1
販売価格
(単価 × 入数)
注文数
ご注文には
ログインしてください
■商品説明■
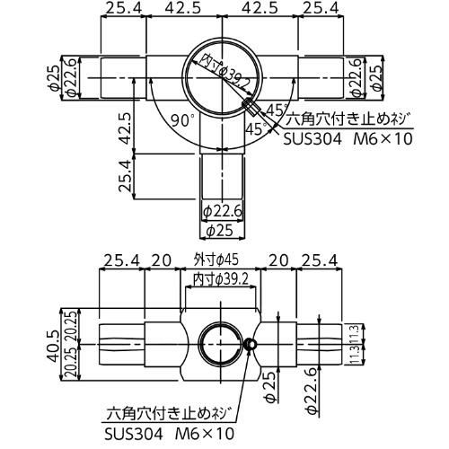
●丸パイプ脚Φ38mmに丸パイプΦ25mmを接続できます。
●耐久性と耐食性に優れたステンレス製です。

商品名:丸パイプ用三方継手 TO-127S TA5007
メーカー:SUGICO(スギコ)
メーカー品番:TO-127S TA5007
お届け数:1
材質:SUS304
適用パイプ:φ38×φ25mm

【ご注意】
画面上の色はブラウザやご使用のパソコンの設定により実物と異なる場合があります。

おすすめ商品