• 新品

パイプ用ロングアジャスト脚 TO-108DL TA0407

商品管理番号 sgc1-to-108dl
内訳
販売価格
(単価 × 入数)
注文数
小物送料

パイプ用ロングアジャスト脚 TO-108DL TA0407

品番
sgc1-to-108dl-1
販売価格
(単価 × 入数)
注文数
ご注文には
ログインしてください
■商品説明■
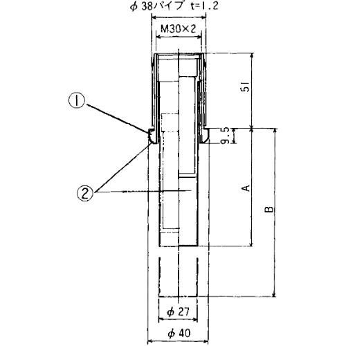
●ロングタイプです。
●ゴムハンマーなどで丸パイプに打ち込んで取付けます。
●アジャスター(中子)を回すことで高さの調整ができます。
●外装は耐久性と耐食性に優れたステンレス製です。

商品名:パイプ用ロングアジャスト脚 TO-108DL TA0407
メーカー:SUGICO(スギコ)
メーカー品番:TO-108DL TA0407
お届け数:1
材質:(1)亜鉛大キャスト (2)SUS304
適用パイプ:φ38mm t=1.2mm
最大荷重:各1000kgf
サイズ(mm):A/90,B/120
自重:230g

【ご注意】
画面上の色はブラウザやご使用のパソコンの設定により実物と異なる場合があります。

おすすめ商品