• 新品

重量角パイプ用アジャスト脚 TO-108-50KF YZ0004

商品管理番号 sgc1-to-108-50kf
内訳
販売価格
(単価 × 入数)
注文数
小物送料

重量角パイプ用アジャスト脚 TO-108-50KF YZ0004

品番
sgc1-to-108-50kf-1
販売価格
(単価 × 入数)
注文数
ご注文には
ログインしてください
■商品説明■
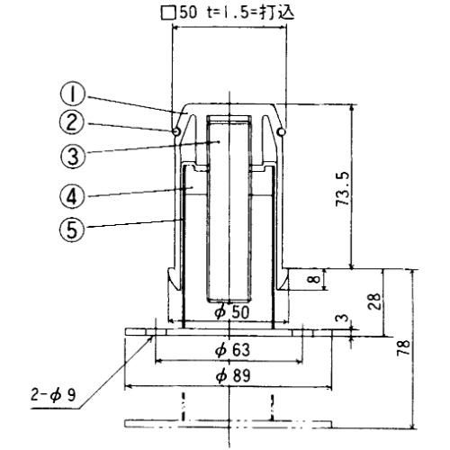
●ゴムハンマーなどで角パイプに打ち込んで取付けます。
●アジャスター(中子)を回すことで高さの調整ができます。
●接地面はアンカー固定用の穴明きフランジです。
●外装は耐久性と耐食性に優れたステンレス製です。

商品名:重量角パイプ用アジャスト脚 TO-108-50KF YZ0004
メーカー:SUGICO(スギコ)
メーカー品番:TO-108-50KF YZ0004
お届け数:1
材質:(1)亜鉛ダイキャスト (2)SUS304-WPA (3)S20C (4)S20C (5)SUS304
適用パイプ:□50mm t=1.5mm
最短:28mm
最長:78mm
最大荷重:1200kgf

【ご注意】
画面上の色はブラウザやご使用のパソコンの設定により実物と異なる場合があります。

おすすめ商品