- 新品
【3月末までのお届け分限定価格】BSM2-124L,BSM2-124LN【マルゼン】二槽水切付シンク 幅1200×奥行450×高さ800mm
| 商品管理番号 | dm1-bsm2-124l-ln |
|---|---|
| サイズ | 幅1200×奥行450×高さ800mm |
| メーカー名 | マルゼン |





※下部分の板ですが、スリットがつくタイプの板になります。
※ご注文の際は、バックガードの有無をご選択下さい。
■ 商品概要 ■
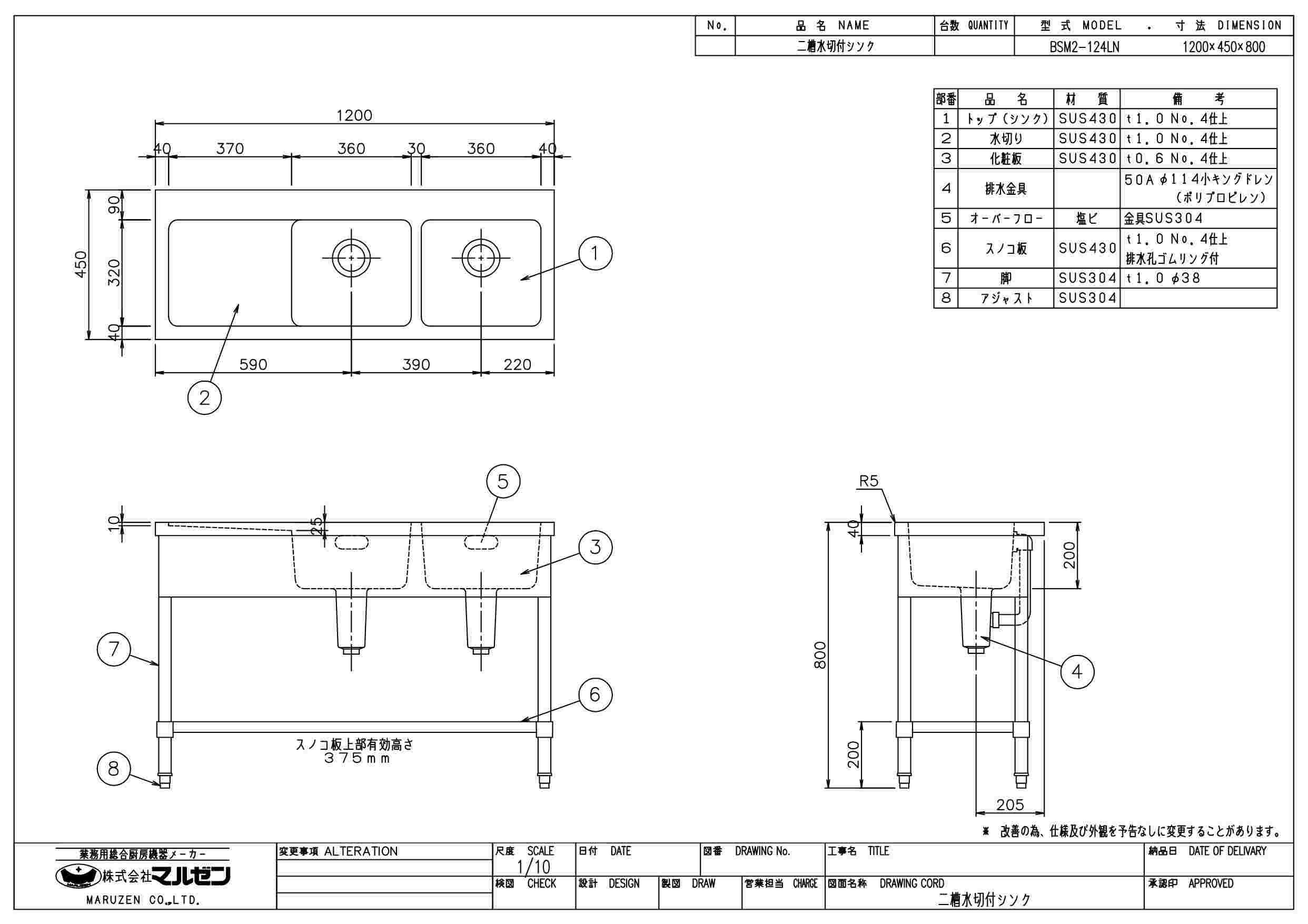
商品名:二槽水切シンク 左水切 W1200×D450×H800
型番:BSM2-124L , BSM2-124LN
メーカー:マルゼン
外形寸法:W1200×D450×H800(mm)
■ 商品仕様 ■
●外形寸法:幅1200×奥行450×高さ800(mm)
●バックガード:奥行50×高さ100
●槽寸法:幅360×奥行320×深さ200(mm)×2槽
●材質:ステンレス(SUS430)
●付属品:排水ゴミ受け、排水ホース
※詳細な寸法については、承認図をご覧ください。
※商品の写真はBSM2-187L (右水槽、左水切)、BSM2-124RN (左水槽、右水切)を使用しています。
※水栓の取り付けの際は、バックガードの奥行や水栓のサイズをご確認ください。
■ 商品について ■
■フロント面はR仕上げの安全設計■
トップの前面とバックガードのエッジ部分を、穏やかな曲線に加工したR仕上げとして安全性に配慮しました。
さらにトップとバックガードのつながりもR仕上げとなっており、清掃性を高めています。

■使いやすいオールフラット式スノコ板を採用■
堅牢で耐久性に優れたオールフラットスノコ板を採用しました。
機器や食材の収納性に優れ、清掃もしやすく衛生的に保つことができます。
■バックガードに配管スペースがあるので工事が簡単■
高さ100mm、厚さ50mmのバックガードは内部に十分な配管スペースがあり、
バックガードの正面、上面のどちらでも水栓取り付けが可能です。
配管を壁に埋め込む必要がないので、既存の機器との交換も簡単。配管工事がスピーディで手軽です。
■耐蝕性に優れたアジャスター■
安定性の良いアジャスターは肉厚のSUS304ステンレス。耐蝕性に優れています。

●幅・奥行はそのまま!高さ850mmタイプをお探しの方はこちら!
BSM2-124LH/BSM2-124LNH【マルゼン】二槽水切付シンク 幅1200×奥行450×高さ850mm【業務用/新品】【送料無料】→こちら
■ 配送について ■
メーカー直送品なので、安心でお求めやすい低価格で販売しております。
この商品は、全国配送料金無料にてお届け致します。
※北海道・沖縄・離島や一部地域では追加配送料が発生致します。