- 新品
【3月末までのお届け分限定価格】BSM1-126L,BSM1-126LN 【マルゼン】 一槽水切付シンク 左水切り 幅1200×奥行600×高さ800mm
| 商品管理番号 | dm1-bsm1-126l-ln |
|---|---|
| サイズ | 幅1200×奥行600×高さ800mm |
| メーカー名 | マルゼン |
商品情報
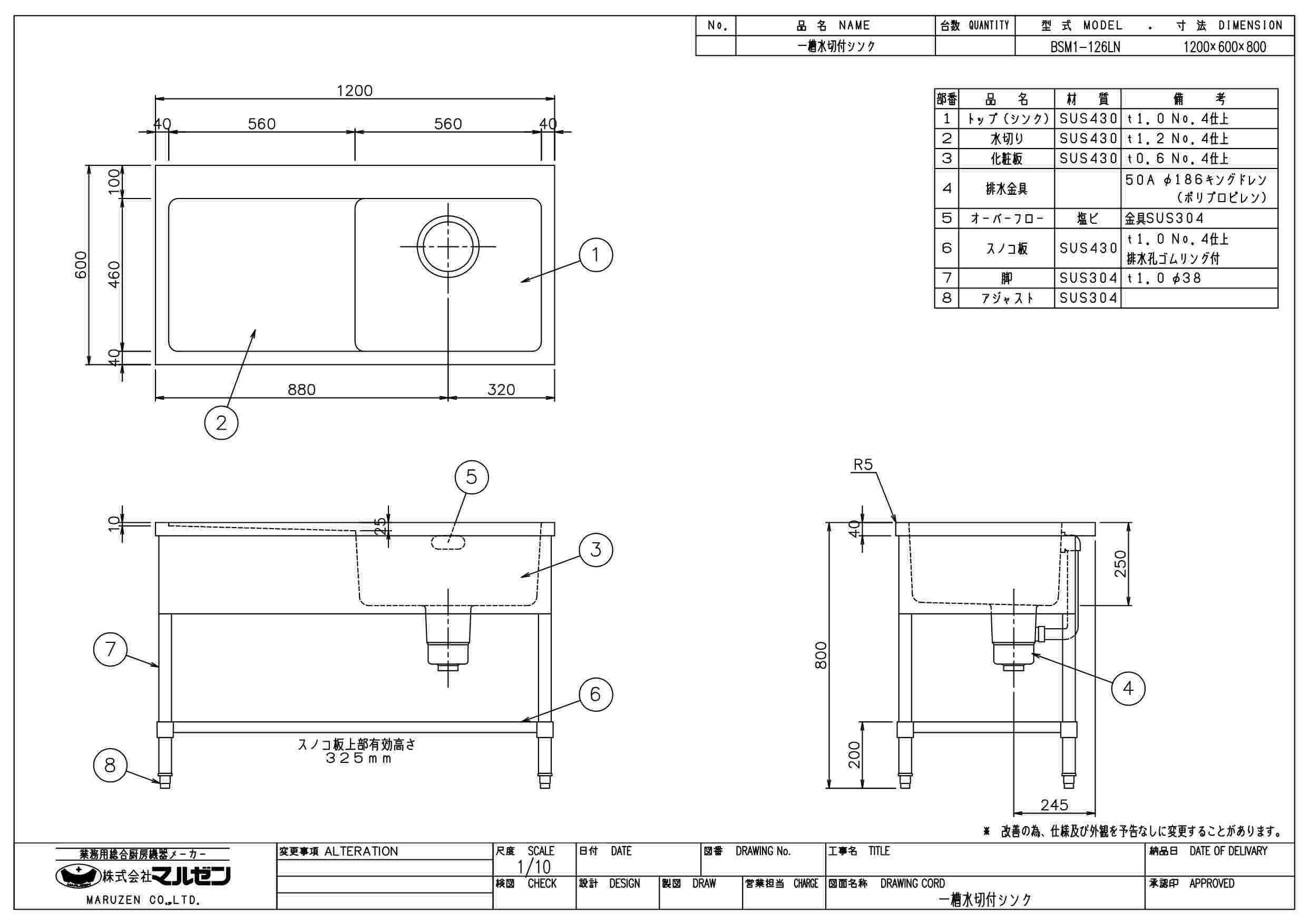
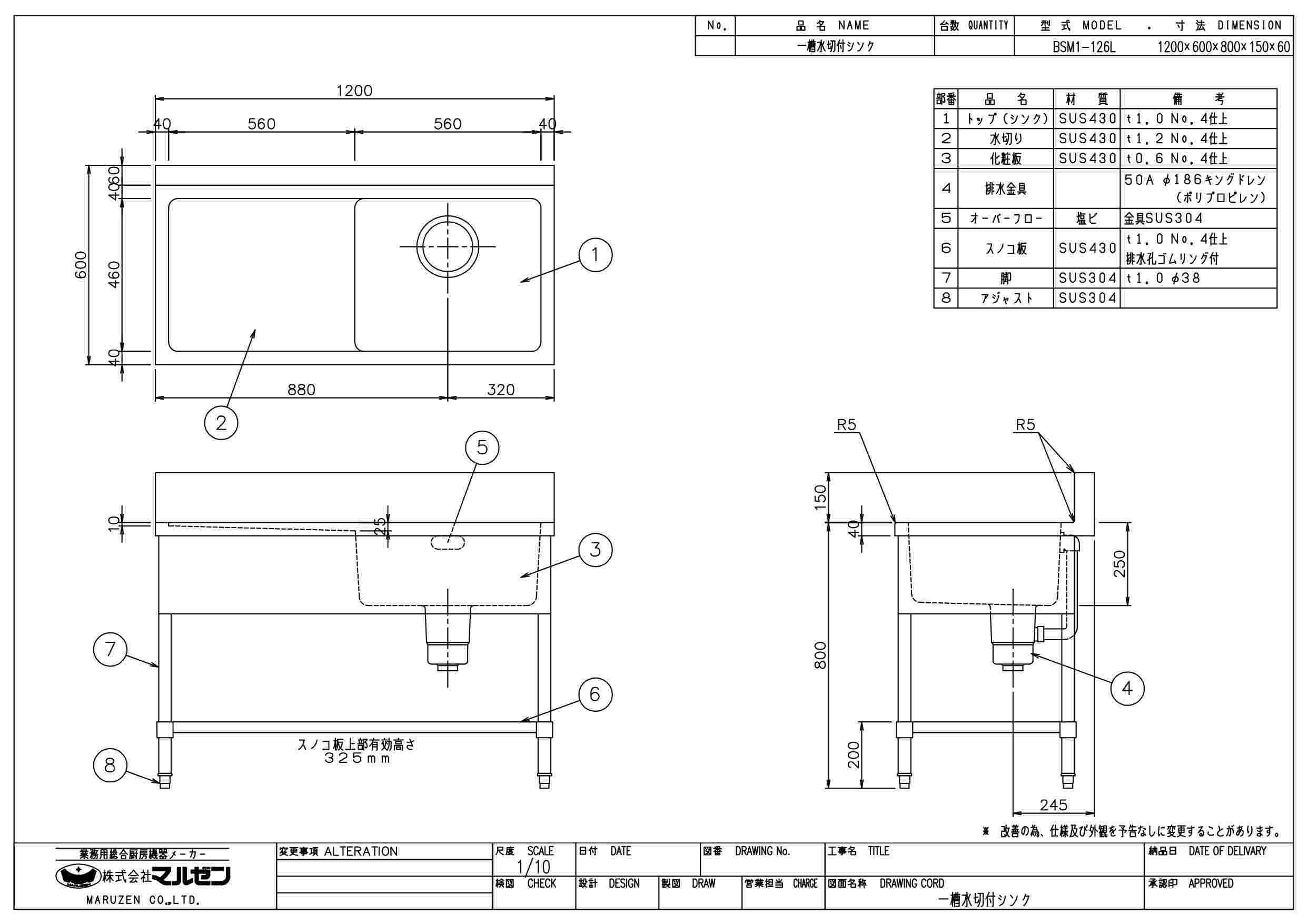
商品名:一槽水切シンク W1200×D600×H800
メーカー:マルゼン
型式:BSM1-126L , BSM1-126LN
お届け数(合計):1
外形寸法:幅1200×奥行600×高さ800(mm)
槽寸法:幅560×奥行460×深さ250(mm)
バックガード:奥行60×高さ150
材質:ステンレス(SUS430)
付属品:排水ゴミ受け、
※詳細な寸法については、承認図をご覧ください。
※商品の写真はBSM1-104LN (左水切、右水槽)を使用しています。
※水栓の取り付けの際は、バックガードの奥行や水栓のサイズをご確認ください。
おすすめポイント
■フロント面はR仕上げの安全設計■
トップの前面とバックガードのエッジ部分を、穏やかな曲線に加工したR仕上げとして安全性に配慮しました。
さらにトップとバックガードのつながりもR仕上げとなっており、清掃性を高めています。

■使いやすいオールフラット式スノコ板を採用■
堅牢で耐久性に優れたオールフラットスノコ板を採用しました。
機器や食材の収納性に優れ、清掃もしやすく衛生的に保つことができます。
■バックガードに配管スペースがあるので工事が簡単■
高さ150mm、厚さ60mmのバックガードは内部に十分な配管スペースがあり、バックガードの正面、上面のどちらでも水栓取り付けが可能です。
配管を壁に埋め込む必要がないので、既存の機器との交換も簡単。配管工事がスピーディで手軽です。
■耐蝕性に優れたアジャスター■
安定性の良いアジャスターは肉厚のSUS304ステンレス。耐蝕性に優れています。

●幅・奥行はそのまま!高さ850mmタイプをお探しの方はこちら!
BSM1-126LH/BSM1-126LNH【マルゼン】一槽水切付シンク 左水切り 幅1200×奥行600×高さ850mm 【業務用/新品】【送料無料】→こちら
配送料について
※この商品は、全国 配送料無料 にてお届けいたします。
※北海道・沖縄・離島や一部地域では追加配送料が発生致します。
自動配信メールの金額に、配送料金は含まれておりません。
ご注文内容の確認後、納期と配送料金につきまして、ご連絡させて頂きます。
商品は車上渡しでのお届けです。
※配送にはドライバー1名で伺います為、トラック上からの荷降ろしや、建物内への搬入及び開梱作業は行えません。
大型商品の場合は、配送日当日に人手をご用意して頂きますようお願い致します。
価格には搬入設置費および処分費は含まれておりません。