- 新品
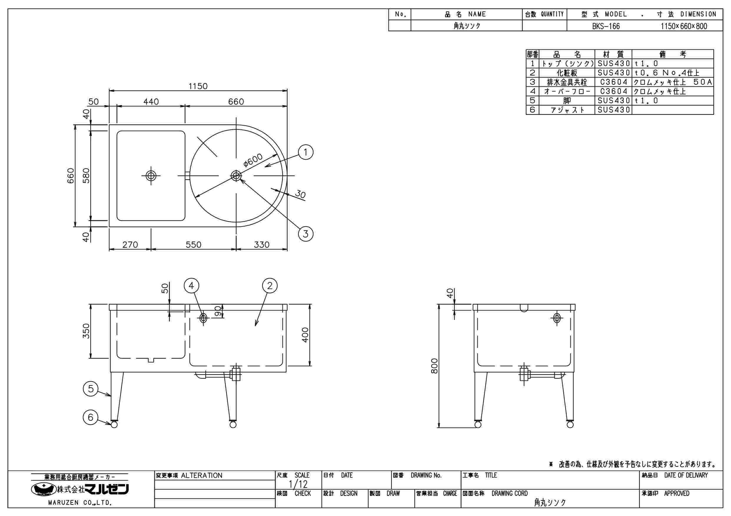
【3月末までのお届け分限定価格】【マルゼン】角丸シンク そばシンク BKS-166幅1150×奥行660×高さ800mm
| 商品管理番号 | t0470171501812 |
|---|---|
| サイズ | 幅1150×奥行660×高さ800mm |
| メーカー名 | マルゼン |



商品情報
マルゼン製、角丸シンクです。
商品名:角丸シンク そばシンク W1150×D660×H800
型番:BKS-166
メーカー:マルゼン
外形寸法:幅1150×奥行660×高さ800(mm)
材質:ステンレス(SUS430)
※詳細な寸法については、承認図をご覧ください。
※水栓の取り付けの際は、バックガードの奥行や水栓のサイズをご確認ください。
配送等について
メーカー直送品なので、安心でお求めやすい低価格で販売しております。
この商品は、全国配送料金無料にてお届け致します。
※北海道・沖縄・離島や一部地域では追加配送料が発生致します。