- 新品
t0470171400068
優れた安全性と充実の調理機能を搭載!遠赤外線で美味しく揚がる電気フライヤー!
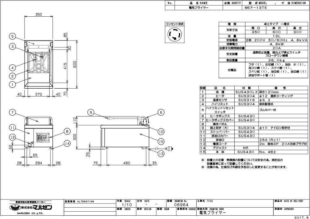
| 商品管理番号 | MEF-13TE 【マルゼン】 電気フライヤー 13L 卓上タイプ 幅350×奥行600×高さ300 |
|---|---|
| サイズ | 幅350×奥行600×高さ300(mm) |
| メーカー名 | マルゼン |
■ 商品概要 ■
商品名:電気フライヤー 卓上型 一槽式 8リットル 三相200V
型番:MEF-8TE (旧型式:MEF-8TB )
メーカー:マルゼン
外形寸法:W300×D470×H250(mm)
■ 商品について ■
人気の揚げ物がカウンターでカラッと揚がる!軽量コンパクト!卓上タイプ
限られたスペースを有効利用するコンパクト設計。宴会場や実演コーナーなどでも大活躍します。
テーブルカウンターなどにも簡単に設置できる卓上型フライヤーです。

■遠赤外線ヒーターを採用■
マルゼン電気フライヤーに採用した赤外線ヒーターは、
局部過熱を防ぐ構造で、油の劣化を抑え、食材の持つ風味を損なわずに調理できます。

■直接加熱ヒーターにより、優れた熱効率と経済性を実現■
油槽の中にヒーターを直接設置し、油を直接加熱しますので、熱効率に優れ経済的です。
ガスと同じレベルの加熱が得られ、設定温度への立ち上がりも早くスピーディーに調理できます。
■高性能サーモスタット採用。正確な温度管理で安心■
揚げ温度を設定するだけで、高性能サーモスタットが温度を忠実にキープ。
温度管理が正確に行えるため、揚げ加減がいつも一定に保て、きれいな仕上がりとなります。
また、油の劣化を防止します。
■お手入れが簡単なスイングアップヒーター■
ヒーター部分は簡単にスイングアップでき、油の交換や掃除が容易に行えます。
油槽内は突起物がなく掃除がしやすい設計となっています。
また通電中にスイングアップしても、自動的に電源が切れる安全機構を採用しています。

■定番メニューがワンタッチ登録できます■
揚げ物にあわせて油の温度が登録できる5メモリーキーを内蔵。
温度設定の手間が要らず、省力化に貢献します。

■安全機能も万全。加熱防止機構を採用■
万一油温が異常に上昇した場合、
自動的に回路を遮断するハイリミットスイッチを内蔵した加熱防止機構を採用しており万全です。
■内外装はオールステンレス製■
優れた耐久性のステンレス鋼版を内外装に使用しており、丈夫で衛生的です。
■排油作業も楽々。ドレンコック付■
排油はドレンコックをひねるだけでOK。油槽を取り外さなくても簡単に作業できるので安全です。
■ 商品仕様 ■
●外形寸法:W350×D600×H300(mm)
●油量:13リットル
●電源:三相200V 50/60Hz
●消費電力:4.8kW
●手元開閉器容量:20A
●付属品:フタ1、仕切網1、スクイ網1、排油サポート1、油缶(小)1、油コシ網1、油切板1、油切網1、スベリ板1
●重量:26kg
■ 配送等について ■
メーカー直送品なので、安心でお求めやすい低価格で販売しております。
この商品は、全国配送料金無料にてお届け致します。
※北海道・沖縄・離島や一部地域では追加配送料が発生致します。
■商品お手入れ動画■